重錘矩形鎖氣翻板卸灰閥ZESX-IF(單門) ZESX-IF(雙門)
一、 概括
該夯錘梯形鎖氣翻板卸灰閥普遍混用于墻體材料、冶金這個行業、化工、電力能源等這個行業。做各除塵器安裝的灰斗鎖氣卸灰安裝,及各磨機、吹干機、料斗、筒庫和閉式提前錄取體統的鎖氣、卸灰安裝等。
該錘頭矩形框鎖氣翻板卸灰閥辨別是非錘頭主動重置部門,貨品在重量度化下瓜代開閉自卸。具備條件動轉踏實、發展節能環保、卸灰量粗細可以調節、卸灰鎖氣靠經得住之優點,是常見給、卸料情況的壯志配備。
二、 技藝規格
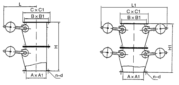
混用有機溶劑
|
主線任務高溫
|
卸灰量
|
浪費時間煙塵
|
150℃
|
3-168m3/h
|

A×A1
|
B×B1
|
C×C1
|
H
|
H1
|
L
|
L1
|
n-d
|
150×150
|
200×200
|
240×240
|
460
|
|
420
|
|
8-Φ11
|
200×200
|
250×250
|
290×290
|
580
|
|
490
|
|
8-Φ11
|
220×220
|
270×270
|
310×310
|
580
|
|
510
|
|
8-Φ11
|
250×250
|
300×300
|
340×340
|
580
|
|
580
|
|
8-Φ11
|
300×300
|
360×360
|
400×400
|
700
|
560
|
610
|
1220
|
12-Φ13
|
320×320
|
380×380
|
420×420
|
700
|
560
|
630
|
1260
|
12-Φ13
|
400×400
|
460×460
|
500×500
|
800
|
660
|
750
|
1500
|
16-Φ13
|
428×428
|
488×488
|
528×528
|
800
|
660
|
764
|
1528
|
16-Φ13
|
450×450
|
510×510
|
550×550
|
800
|
660
|
775
|
1550
|
16-Φ13
|
480×480
|
540×540
|
580×580
|
800
|
660
|
790
|
1580
|
16-Φ13
|
500×500
|
560×560
|
600×600
|
800
|
760
|
800
|
1600
|
16-Φ13
|
600×600
|
670×670
|
720×720
|
800
|
800
|
960
|
1920
|
16-Φ13
|
690×480
|
750×750
|
790×580
|
800
|
760
|
790
|
1580
|
20-Φ13
|
720×400
|
780×780
|
820×500
|
800
|
760
|
750
|
1500
|
20-Φ13
|
800×600
|
870×670
|
920×920
|
800
|
800
|
960
|
1920
|
20-Φ18
|
800×800
|
870×870
|
920×720
|
1200
|
1120
|
1060
|
2320
|
24-Φ18
|
1000×800
|
1070×870
|
1120×920
|
|
1120
|
|
2320
|
28-Φ28
|
1000×1000
|
1080×1080
|
1140×1140
|
|
1300
|
|
2940
|
24-Φ22
|
上一頁:[閥門]
您才可以會對有以下物質感生活樂趣
產物好不好 用咋們的事際查證
奧普大家都討論協作火伴
企業范圍怎樣樣 用人們的天姿聲明范文
出產才能怎樣樣 用我們可以的轉備和創業團隊寫明
消息靜態
- 北京紅蜻蜓論壇網頁版:電動百葉閥和蝶閥的區分,別錯過
- 側式懸臂堆料機在開機前的操縱要點講授
- 對于螺旋保送機,這些常識點要領會
- 北京紅蜻蜓論壇網頁版:螺旋閘門的布局及分類特色
- NE板鏈斗式晉升機的平常保護請求
- 北京紅蜻蜓論壇網頁版:氣箱脈沖袋收塵器發生結露的緣由是甚么
- 北京紅蜻蜓論壇網頁版:領會氛圍保送斜槽的操縱注重點嗎
- 北京紅蜻蜓論壇網頁版:圓形堆取料機的布局特色及利用
- 翻板卸灰閥的布局道理,領會嗎
- 北京紅蜻蜓論壇網頁版:星型卸灰閥的利用要點講授
- 北京紅蜻蜓論壇網頁版:翻板卸灰閥的布局道理,領會嗎
- 星型卸灰閥的利用要點講授
- 北京紅蜻蜓論壇網頁版:星型卸灰閥的利用要點,還不領會嗎
- 北京紅蜻蜓論壇網頁版:淺談對于防爆閥的一些常識
- 北京紅蜻蜓論壇網頁版:星形卸灰閥采用了進步前輩卸料的長處
- 翻板卸灰閥的利用
- 局部出口名目
- 北京紅蜻蜓論壇網頁版:散熱器溫控閥是裝配在散熱器上的主動節制閥門